| Sign In | Join Free | My tjskl.org.cn |
|
Brand Name : AVAGO
Model Number : HFBR-2521Z
Certification : Original Factory Pack
Place of Origin : Philippines
MOQ : 5pcs
Price : Negotiation
Payment Terms : T/T, Western Union,PayPal
Supply Ability : 4200PCS
Delivery Time : 1 Day
Packaging Details : please contact me for details
Features1 : RoHS-compliant
Features2 : Low cost fiber optic components
Features3 : Enhanced digital links: dc-5 MBd
Features4 : Extended distance links up to 120 m at 40 kBd
Features5 : Low current link: 6 mA peak supply current
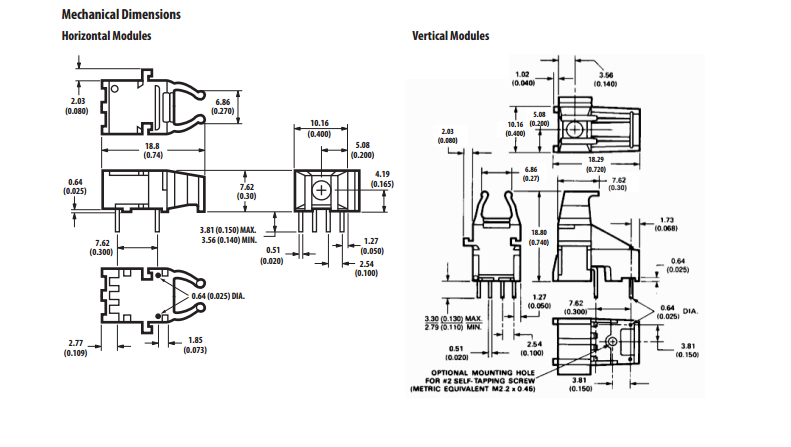
Features6 : Horizontal and vertical mounting
HFBR-2521Z Versatile Link The Versatile Fiber Optic Connection
Description
The Versatile Link series is a complete family of fiber optic link components for applications requiring a low cost solution. The HFBR-0500Z series includes transmitters, receivers, connectors and cable specified for easy design. This series of components is ideal for solving problems with voltage isolation/insulation, EMI/RFI immunity or data security. The optical link design is simplified by the logic compatible receivers and complete specifi-cations for each component. The key optical and electrical parameters of links configured with the HFBR-0500Z family are fully guaranteed from 0° to 70°C.
A wide variety of package configurations and connectors provide the designer with numerous mechanical solutions to meet application requirements. The transmitter and receiver components have been designed for use in high volume/low cost assembly processes such as auto insertion and wave soldering.
Transmitters incorporate a 660 nm LED. Receivers include a monolithic dc coupled, digital IC receiver with open collector Schottky output transistor. An internal pullup resistor is available for use in the HFBR-25X1Z/2Z/4Z receivers. A shield has been integrated into the receiver IC to provide additional, localized noise immunity.
Internal optics have been optimized for use with 1 mm diameter plastic optical fiber. Versatile Link specifications incorporate all connector interface losses. Therefore, optical calculations for common link applications are simplified.
Features
• RoHS-compliant
• Low cost fiber optic components
• Enhanced digital links: dc-5 MBd
• Extended distance links up to 120 m at 40 kBd
• Low current link: 6 mA peak supply current
• Horizontal and vertical mounting
Applications
• Reduction of lightning/voltage transient susceptibility
• Motor controller triggering
• Data communications and local area networks
• Electromagnetic Compatibility (EMC) for regulated systems: FCC, VDE, CSA, etc.
• Tempest-secure data processing equipment
• Isolation in test and measurement instruments
• Error free signalling for industrial and manufacturing equipment
• Automotive communications and control networks
• Noise immune communication in audio and video equipment
• Interlocking feature
• High noise immunity
• Easy connectoring: simplex, duplex, and latching connectors
• Flame retardant
• Transmitters incorporate a 660 nm red LED for easy visibility
• Compatible with standard TTL circuitry

| Signal Rate | Distance (m) 25°C | Distance (m) | Transmitter | Receiver |
| 40 kBd | 120 | 110 | HFBR-1523Z | HFBR-2523Z |
| 1 MBd | 20 | 10 | HFBR-1524Z | HFBR-2524Z |
| 1 MBd | 55 | 45 | HFBR-1522Z | HFBR-2522Z |
| 5 Mbd | 30 | 20 | HFBR-1521Z | HFBR-2521Z |
Package and Handling Information
The compact Versatile Link package is made of a flame retardant VALOX® UL 94 V-0 material (UL file # E121562) and uses the same pad layout as a standard, eight pin dual-in-line package. Vertical and horizontal mountable parts are available. These low profile Versatile Link packages are stackable and are enclosed to provide a dust resistant seal. Snap action simplex, simplex latching, duplex, and duplex latching connectors are offered with simplex or duplex cables.
Notes:
1. Measured at the end of the fiber optic cable with large area detector.
2. Optical flux, P (dBm) = 10 Log P(µW)/1000 µW.
3. Because of the very high sensitivity of the HFBR-25X3Z, the digital output may switch in response to ambient light levels when a cable is not occupying the receiver optical port. The designer should take care to filter out signals from this source if they pose a hazard to the system.
4. Including current in 3.3 k pull-up resistor.
|
|
Linear Hall Effect Sensor IC Images |